一、RAMFAN优兰特EFi75xx防爆正负压排烟机产品介绍:
RAMFAN EFi75xx是进入稍大密闭空间的常用风机,严苛的认证可以使用在危险的环境中,正负压排烟通风,可根据不同使用环境选择风管以及风机释放的大风量让你的工作变的更高效!
安全:EFi75xx专为危险场所设计,通过美国ATEX整机防爆认证,IP65淋雨测试,高强度、耐化学药剂、使用ABS机壳,全封闭马达隔绝易燃,即使最危险的场所也轻松应对
轻便:EFi75xx超轻便携式设计,内置风管适配器,可选择多款风管,高性能马达释放巨大压力和风量且只产生很小的噪音
高效能:EFi75xx铝制涡轮叶片经过高精度动平衡调节,无阻碍风量可达4250m3/hr。
电动EFi75xx危险场所鼓风机/排气机,具有整机认证,适用于不良气氛,符合额定值的限制。 整个单元认证不仅为用户提供保护和安心; 它还可以防止供应商与责任链相关联。 这就是为什么用户和供应商要求整个单元认证至关重要的原因。 只有经过认证的电机是安全的一半措施,使工人和供应商面临风险。
二、RAMFAN优兰特EFi75xx防爆正负压排烟机产品特点:
1、ATEX认证,可在易爆环境中安全使用
2、铝制涡轮叶片经过高精度动平衡调节
3、高强度,耐化学药剂,碳化ABS机壳可将静电安全传输至地面
4、密闭开关盒进过IP65雨淋测试
5、内置风管适配器
6、安全传输易爆危险气体
7、正负压风机,可根据使用环境不同选择抗静电或非抗静电的20cm/30cm风管
8、正负压排烟通风,可根据不同使用环境选择抗静
9、电或非抗静电直径20cm 或30cm风管(直径20cm风管要求配套使用风管适配器)




三、RAMFAN优兰特EFi75xx防爆正负压排烟机IMPA申请认证编号:
EB7201xx(110)-591506,591418,591423
EB7201xx-230(230V)-591506,591419,591424
四、RAMFAN优兰特EFi75xx防爆正负压排烟机技术参数:
产品名称 | EFi75xx |
货号 | EB7201xx |
无阻碍风量 | 4250m3/hr |
4.6m米风管 1-90° 转角 | 2829m3/hr |
7.6m米风管 1-90° 转角 | 2599m3/hr |
| 风机直径 | 30cm |
重量 | 20kg |
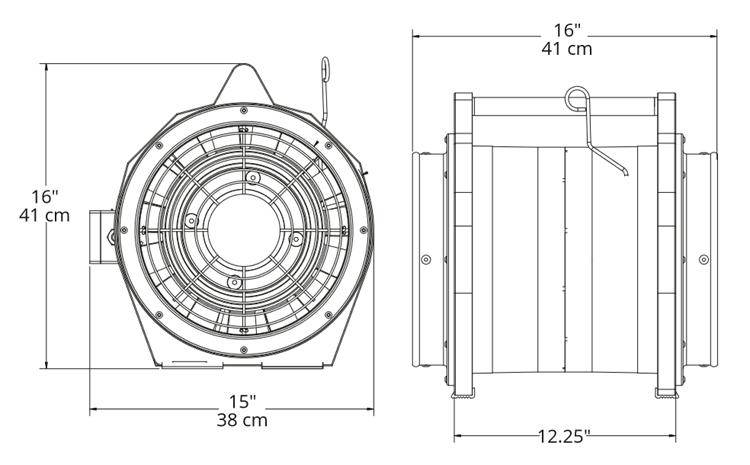
体积(高/宽/长) | 406/381/406mm |
噪音 | 89db |
发动机功率 | 0.5kW |
电源 | 115/230VAC,1ø,50/60Hz |
启动电流/运行电流 | 230V:27A/230V:5A |
认证证书 | CE,ATEX II 2 G Ex de IIB T6 GB |
7.6m抗静电风管 | FDT-1225CBB |
4.6m抗静电风管 | FDT-1215CBB: |
风管适配器 | DC12 |
MPA编码 | EB7201xx(110)-591506,591418,591423 |
EB7201xx-230(230V)-591506,591419,59142 |
五、RAMFAN优兰特EFi75xx防爆正负压排烟机主要用途:
*密闭空间通风
*气体泄漏驱散
*储罐/柜吹扫
*配合变径风管为管道吹扫
六、结构图:
